路灯杆分条线
当前位置:首页
>
产品展示
纵剪分条生产线
1.应用描述:钢卷上料,开卷,分条,收卷和下料
2. 技术参数:
2.1.原材料厚度:1.6~4.5mm, 屈服强度700~850的高强度合金钢, 热轧钢, 适合客户用于护拦板的特殊高强度钢板.
基于剪切条数: 3条, 4刀同时剪切。
2.2材料宽度:800-1550mm
2.3钢卷重量:30吨
2.4钢卷内径:508mm-760mm
2.5钢卷外径:1800mm
2.6 夹送辊直径:190mm
2.7 夹送辊电机功率:2.2kw,变速箱型号:BWD13,速率:187
2.8 夹送辊工作速度:3m / min
2.9 粗校校平辊数量:3个,上1+下2。
2.10 粗校校平辊直径:125mm
2.11 分条刀轴直径:230mm
2.12 分条刀轴材料:40Cr
2.13 分条刀片直径:350
2.14 分条刀片材料:H13K,硬度HRC55-58 (未包含再总价中)
2.15 分条 主电机功率:45kw(960RPM),齿轮箱:650
2.16 刀片,隔圈,橡胶圈,按照客户要求配置,不包含在机器价格内。
2.17分条成品,分条宽度公差:±0.20mm
2.18分条成品,钢卷重量:15吨
2.19分条成品,钢卷内径:760mm
2.20分条缓冲坑尺寸:5500×2200mm×2500mm长×宽×深
2.21收卷机主电机功率:90kw(960rpm),变速箱:850
2.22收卷典型速度,厚度2.5mm,25m / min交流频率可调
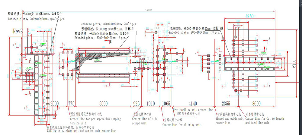
2.23详细基础和占地尺寸,如附图所示
2.24 机器配置切头剪板机 8mm (Q235), 刀片适合上述高强度钢
3机器配置如下:
3.1液压上料小车
该小车可以携带钢卷,使其上下移动。四轮导轮行走、上升和下降由液压缸驱动完成,小车的运行由电机和减速机完成。
3.2液压开卷机
液压对顶式开卷机,包括:左右两个部分
液压顶紧,由油缸驱动对式开卷机架,可顶紧卷料
它由导轨式底座,支架,,开卷轴和液压对顶式开卷头。
开卷头可以左右移动同时对中
配有气动刹车张力装置,在运行过程中,给卷料提供张力,避免卷料松跨
3.3压头,引头,铲头,剥头,引料装置
它由框架式底座,液压导向臂,液压压头-引头机构,液压铲头机构,液压剥头机构,液压夹送机构等组成。
3.3.1液压压头,引头机构:由液压导向臂,压力钢芯胶轮,链轮和链条传动机构组成,配有5.5Kw摆线针轮减速电机等。作用是压住钢卷,带动钢卷旋转,便于铲头和剥头。
3.3.2液压铲头机构:由铲头外壳,液压铲头,铲头液压升降&平衡机构等组成。调节油缸的为止,使得铲头进入钢板板头的位置。
3.3.3液压剥头机构:由导柱和导套,液压剥头压下&升降机构等组成。作用是压直钢板头,便于钢板头进入夹送。
3.3.4液压夹送机构:由支架,滑块底座,2个夹送辊,上辊液压升降,下棍固定,下辊连接有动力,包含电机,减速机,离合器。这个机构的作用是夹住钢板头,拉动板头,带动整个钢卷旋转,使板头进入后道的粗校和分条机。
3.4切头剪板机:为液压8mm剪板机;用于卷板的头和尾的剪断和分卷剪切用
3.5工作台,支承板料
3.6粗校校平装置
与分条前的导向装置共用一个基座。
为下2辊上1辊结构,粗校校平辊,被动式。把板料粗校平,利于板料进行分条工序。
上下辊间距机械式可调。
3.7分条前的导向装置
导向装置由工作支架,导轨,丝杆调节和对中机构,主动导向基台,立式辊机构等组成
3.8分条机组:
它由主机部分和动力组成。
动力部分:由动力基座,减速机,交流变频调速电机,齿轮分配箱,联轴器,离合器,连接件,万向十字传动等组成。
主机部分:由底座,固定式支架,刀轴大滑块,2个刀轴,主动支架,刀轴滑块,主动支架液压进出换刀调节机构,上刀轴电动提升&压下可调。
该设计可以电动推出单侧的支承支架,使得刀轴悬臂伸出,方便更换调整刀片。
3.9 收边丝机构:
它由支架,边丝轴,轴承座,2个边丝盘,链轮和链轮传动机构,减速机,联轴器,电机等组成。边丝盘的设计,方便脱开边丝卷,储量大。
3.10缓冲坑&过渡桥:
它由支架,轴承座,支撑板组成,
地长×宽×深:见技术参数
过渡台,气缸作为升起动力
它包括左右两部分,合拢时, 便于板头从分条达到收卷机
打开的时候, 板料可以进入缓冲坑,便于调节收卷和分条的速度差,以及每一个钢条内应力不同引起的,长度差,使得收卷平稳,张力均匀。
3.11分离&涨力装置,板支撑机构:
它由底座,轴承座,预分离轴承轴,阻尼支架,阻尼板,阻尼板液压升降&压下机构,涨力支架,2个张力辊,钢条分离&涨力支架,分离&涨力轴,液压压下&升降机构,液压支撑机构,配有分离板,尼龙垫片等。
阻尼板液压升降&压下机构,设置有左右齿轴同步机械结构。确保左右的板料张力一致。
3.12 收卷装置
它由机座,收卷齿轮箱,液压涨缩卷取芯轴系统,涨紧盘,斜楔式滑块涨&缩机构,膨胀旋转油缸机构,驱动机构。
驱动机构,包含变频调速电机,皮带,皮带轮等
配有液压可调的隔片轴
旋转式侧支撑臂,支撑底座。
3.13 液压卸料小车:
该小车的宽度和卷料的宽度一致,可以液压升降,可以左右运行,作用是携带分条后的钢卷,移出,便于车间,吊走钢卷,小车左右运行由电机驱动。
3.14 电气系统:
中央控制台。
它由电柜,主电控操作柜,辅助操作柜和其他电气设备组成,分条和收卷电机。
设备设有安全保护装置,有紧急停止和电源切断按钮,机器停止显示灯等。
3.15 液压系统:
液压功率25L / min
包括:液压站,阀,油箱,接头,软管,硬管等。
3.16气动系统:包括气缸,气管,接头,气动阀等
3.17刀片,隔圈,橡胶圈,按照客户要求配置,不包含在机器价格内。
4.附图:设备布局图(尺寸为参考),设备图片





苏ICP备17067978号-1